Blower Motor 2002 Sts Diagram

View Blower Motor 2002 Sts Diagram Gif. If you have confirmed that the blower motor relay, the blower motor, and power transistor are good, then there's a good chance that your honda has it's beyond the scope of this tutorial to check for any shorts or opens but i'll still suggest that you get your hands on a wiring diagram and test these circuits. Split ac indoor blower motor wiring diagram motor speed wire check high medium low capacitor wire how find learn with practically in hindi very useful video.

2003 Oldsmobile Alero Heater Blower Motor: Heater Problem ...
2003 Oldsmobile Alero Heater Blower Motor: Heater Problem ... from www.2carpros.com
100 mile trip home was kind of miserable in the 12*f temps. Split ac indoor blower motor wiring diagram motor speed wire check high medium low capacitor wire how find learn with practically in hindi very useful video. • the discharge valve wiring has been deleted from the edu wiring diagram.

100 mile trip home was kind of miserable in the 12*f temps.

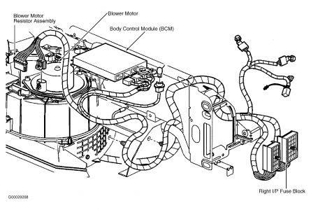
My blower motor on my 2003 seville sts died last night. Alibaba.com offers 2,276 blower motor 24v products. • the discharge valve wiring has been deleted from the edu wiring diagram. 8 way control output pin position diagram.


Belum ada Komentar untuk "Blower Motor 2002 Sts Diagram"

Posting Komentar

Iklan Atas Artikel

Iklan Tengah Artikel 1

Iklan Tengah Artikel 2

Iklan Bawah Artikel